HO Module
revised 01-08-10 9-15-16 d. bodnar
| The South Hills Model Railroad Club (SHMRRC) recently decided to embark on a project to create a modular HO layout. Many of the members have begun to build modules. This web page is being used to document the construction of one (well, really two!) of these modules. |
note: this is my second attempt at completing modules - the first was scrapped - notes on its construction are here.

Photo from Mt. Lebanon Light Night setup November 2014
| The Plan The module is made up of two four foot sections. It is designed to have a main line in its center and a self-contained working line that including a number of switch backs that take the train up a mountain. In addition 1/2 of a passing siding is next to the main line. This will connect to Paul Hanson's module that has a matching section. This photo shows the two modules joined together. The switchbacks rise on many foam sections. Note that each of the switches is not level. They all maintain the grade of the longer rail line. This forces the train to go down a bit before it begins to rise to the next switch.
This view shows the main line and the tunnel portal that will be on a small add-on section. You can also see the double-slip-switch that will be used to switch between the passing siding, the main line and the work line. All of the track, the crossover and all switches are code 83.
This close-up gives a better view of the tunnel portal and the slip-switch.
The mountains were given additional mass with spray foam (Great Stuff). It works very well but one must be careful not to put TOO much under anything as can be seen in these two photos. Note that the ballast and track have heaved! Fortunately this area was destined to be a valley crossed by two bridges so no real damage was done.
Here the foam mountains have been shaped with a rasp and finished off
with a thin coat of light weight joint compound. The wall on the
far left is made of many, many pieces of cedar! The bridges have
been placed over the newly formed valley.
A small add-on section is where the tunnel portal is now mounted as the mountain above it takes shape.
|
|
| The "raw" foam is shown on the mountain - it needs several more
coats to take its proper form. When sufficient foam has been added
it will be shaped with a rasp and coated with light weight joint
compound. As it dries texture can be added with a wire brush.
This close-up shows a section of foam & joint compound with texture added - it is ready to paint.
The valley under the bridges was formed with rasps as well. The beginning of the retaining wall is also shown here. It is made up of cedar boards that were pin-nailed together. After staining stone was glued between the pieces.
The original module used standard solenoid based switch motors along each switch. They didn't look or work too well. The switches are now thrown by miniature servos.
Once ballast is added the servos will all but disappear.
|
|
|
If you are from Pittsburgh you have to love grey!
The electronics that make it all work are located under the building.
|
|
|
Video of Automated Switch-Backs please click on the box below and select "play"
|
|
| Automating the Switch Backs Click here for detailed information on how the operation of the work train has been automated.
|
|
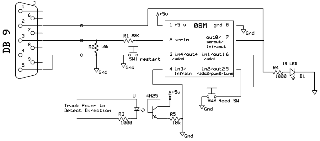
| The circuit below was added to provide a "run once" function to the
module. An additional reed switch was added by the station.
When the reed switch is activated AND the train is moving away from the
station (this is detected by the opto-isolator) the circuit sends an IR
signal to stop. When a visitor presses the "restart" button the same IR code is sent which starts the train again.
The code for the
PICAXE 08M2 is below |
|